Schematics
for the
ARP Odyssey Synthesizer


The following are schematics that we have on our server:

Schematics for Two & Three Bus Keyboards
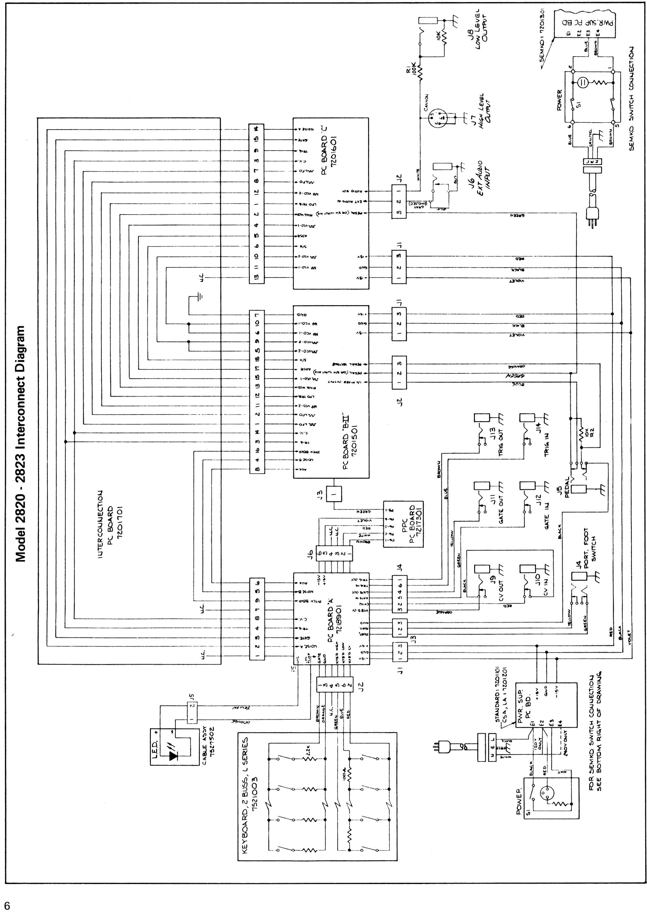
Model 2800 (Odyssey 1 & 2) Interconnect Diagram Models 2810-2823 (Odyssey 3) Interconnect Diagram
Model 2800 Schematic Board A-I Models 2810-2823 Schematic Board A-II
Model 2800 Assembly Board A-I Models 2810-2823 Assembly Board A-II (with PPC)
Model 2800 Schematic Board B-I Models 2810-2823 Schematic Board B-II
Model 2800 Assembly Board B-I Models 2810-2823 Assembly Board B-II
Model 2800 Schematic Board C-I Odyssey 2 Models 2810-2823 Schematic Board C-II
Model 2800 Assembly Board C-I Odyssey 2 Models 2810-2823 Assembly Board C-II
Model 2800 Schematic Power Supply I Odyssey 2 Models 2810-2823 Schematic Power Supply II
Model 2800 Assembly Power Supply I Odyssey 2 Models 2810-2823 Assembly Power Supply II
Parts List: Boards A-I, B-I, C-I Parts List: Boards C-I (Cont), Power Supply I, Board A-II
Parts List: Boards B-II, C-II, Power Supply II  


 

Kevin Lightner's Arp Odyssey Knob Color Chart Kevin Lightner's See-Through Odyssey Front Panel


Installation Instructions and Photos for Installing PPC (Proportional Pitch Control) in the ARP Odyssey
Thanks to Andy for contributing these original retrofit kit images and photos!

Page 1 Page 5 Printed Circuit Board
Page 2 Pads in Casing Printed Circuit Board (Reverse side)
Page 3 Pads, Spacer and Casing Template
Page 4 Components How it Should Look When You're All Done


Toby Paddock's Odyssey Specs


Have you ever considered opening up your Odyssey but were afraid to do it?  The following photos will give you some idea what to expect once you get inside.
Contributed by Andrew Sanchez
Backplane Removed Keyboard Removed Oscillator Board
Power Supply Board 4023 Filter Board ARP Avatar with Keyboard



 
The following Odyssey circuit board images were contributed by Michael Overacker:
These files are around 250-300k in size.  Depending on your modem they may take a while to download.
A Board (Front) B Board (Front) C Board (Front) 4035 VCF Board (Front)
A Board (Back) B Board (Back) C Board (Back) 4035 VCF Board (Back)


Odyssey Manufacturing/Release Dates
Contributed by Joachim Verghese


Matt Haines Odyssey Filter Pin-Outs


Andrew Sanchez's Odyssey Slider Pot Value Chart


Donald Tillmans' Odyssey Patent Page
Includes scans of schematics

Music Control Audio Services Ltd.

ARP Tech's Submodules

Ted Chapman's Odyssey Circular Modulation 

Smart Parts
 
 

Comments, suggestions and additions may be emailed here.

BACK TO THE DIRECTORY